我們將使用cookie等資訊來優化您的體驗,繼續瀏覽即表示您同意我們使用。欲瞭解詳細內容,請詳閱
隱私權保護政策
×
泛揚國際有限公司
SEARCH:
Language
繁體中文
English
關於我們
鑄工手冊
金屬基本圖資
鐵碳平衡圖/週期表/金屬物性
鑄鐵規格性質
各國鑄鐵代號/機械性質
模數計算
簡易體面積和模數計算
試棒尺寸
JIS抗拉試棒尺寸
單位換算
溫度/力量/壓力/硬度
砂型分析
濕砂物性指標
鑄疵Q&A
表面鑄疵的問與答
缺陷中英
中英日鑄疵名詞對照
產品介紹
熔湯品質管理
熱分析儀
測溫系列
澆注管理系統
熔解配用料管理系統
型砂分析試驗
品管儀器軟體
金相分析
硬度計
分析儀+元素顯示屏
萬能抗拉試驗機
非破壞性無損檢測
其它儀器設備
品管配件&耗材
鑄造製程設備
模具用透氣粒
氧弧熔切斷棒
鋁用儀器設備
鑄造材料合金
客服圖書
聯絡我們
常見鑄疵
球鐵金相鑄疵
灰鐵金相鑄疵
常見砂型鑄疵
表面缺陷分類
材質缺陷分類
文章型錄
產品目錄
文章分享
影片專區
鑄造
氧弧熔斷
鑄工手冊
首頁
鑄工手冊
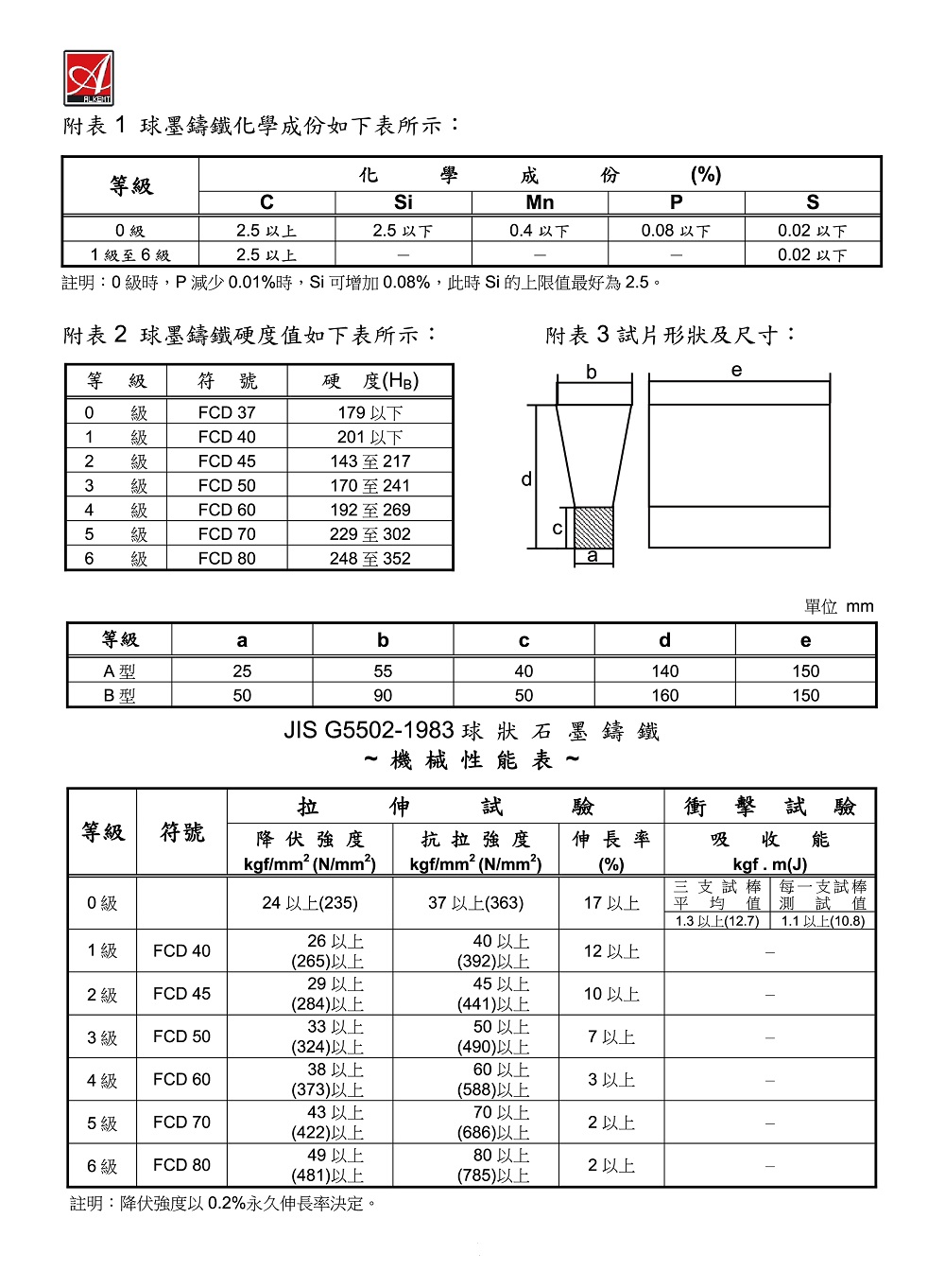
各國鑄鐵代號/機械性質
鑄鐵規格性質
各國鑄鐵代號/機械性質
12
10
2022
各國鑄鐵代號/機械性質
分享至Facebook
分享至Twitter
分享至Plurk
分享至LINE
分享至Linkedin
分享至Whatsapp
分享至Weibo
分享至Blogger
分享至Gmail
回上頁
產品搜尋
聯絡我們
回首頁
SEARCH:
Language
繁體中文
English
關於我們
鑄工手冊
金屬基本圖資
鐵碳平衡圖/週期表/金屬物性
鑄鐵規格性質
各國鑄鐵代號/機械性質
模數計算
簡易體面積和模數計算
試棒尺寸
JIS抗拉試棒尺寸
單位換算
溫度/力量/壓力/硬度
砂型分析
濕砂物性指標
鑄疵Q&A
表面鑄疵的問與答
缺陷中英
中英日鑄疵名詞對照
產品介紹
熔湯品質管理
熱分析儀
測溫系列
澆注管理系統
熔解配用料管理系統
型砂分析試驗
品管儀器軟體
金相分析
硬度計
分析儀+元素顯示屏
萬能抗拉試驗機
非破壞性無損檢測
其它儀器設備
品管配件&耗材
鑄造製程設備
模具用透氣粒
氧弧熔切斷棒
鋁用儀器設備
鑄造材料合金
客服圖書
聯絡我們
常見鑄疵
球鐵金相鑄疵
灰鐵金相鑄疵
常見砂型鑄疵
表面缺陷分類
材質缺陷分類
文章型錄
產品目錄
文章分享
影片專區
鑄造
氧弧熔斷
033460098
alkemt21@ms19.hinet.net
https://lin.ee/JICotMy